T-Track Aluminium Profile
T-TRACK ALUMINIUM EXTRUSION
T-Track Profile designed for mounting tracks on the bed of a CNC machine. This is a high quality and high accurate profile coated with Silver anodizing.
These following nuts can be used inside this profile to mount parts:
- 20-Series Slide T-Nut
- M6 Standard Nut
- M6 Square nut - Thin
- M6 Square nut - Thick
- M8 Square nut - Thin
We have found that the M6 square nuts work the best with this profile.
We can ship lengths up to 2m with our standard courier service. For longer lengths, please contact us for the courier options or you can pick it up from us.
Specifications:
- Length: 5mm to 1200mm (We cut to size)
- Maximum length: 1.2m
- Material: Aluminium 6063 T5
- Coating: Silver Anodized
- Profile weight: 0.35kg/m
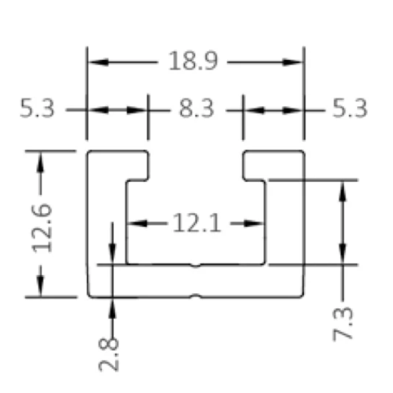
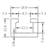
The dimensions of the profile are as follows:

If this product is purchased and no stock is available, our sales team will contact you with the option of a full refund or suggest similar alternatives which are in stock. If you would like to confirm stock before purchase, please contact our online sales team or email sales@gadgitechtrading.co.za